Product Summary
The LM7812T is monolithic fixed voltage regulator integrated circuit. The LM7812T is suitable for applications that required supply current up to 1A.
Parametrics
LM7812T absolute maximum ratings: (1)Input Voltage: VOUT=3.3V to 18V:35V, VOUT=20V to 24V:40V ; (2)Output Current:1A ; (3)Power Dissipation:Internally Limited; (4)Junction Temperature:150℃ ; (5)Operating Temperature Range:-20℃ to 150℃; (6)Storage Temperature Range:-55℃ to 150℃.
Features
LM7812T features: (1)Output Current up to 1A; (2)Fixed output voltage of 5V, 6V, 8V, 9V, 10V, 12V,15V, 18V and 24V available ; (3)Thermal overload shutdown protection ; (4)Short circuit current limiting ; (5)Output transistor SOA protection ; (6)RoHS Compliance.
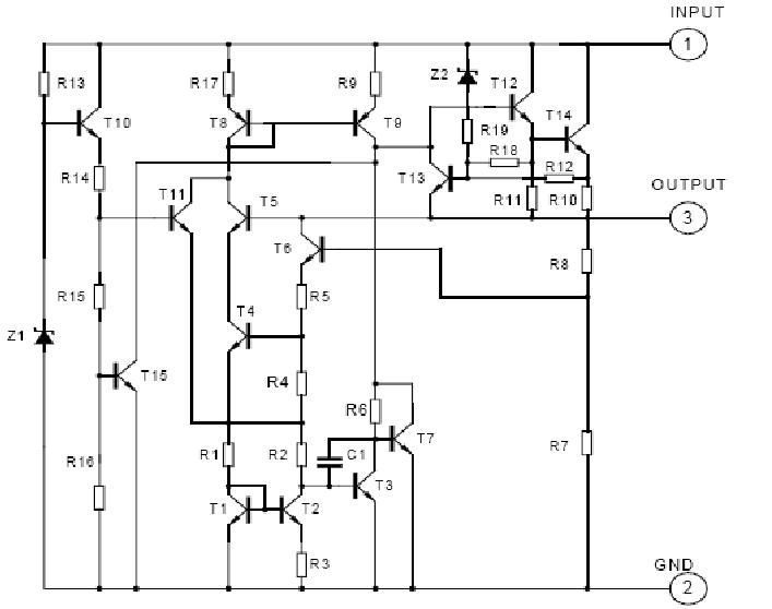
Diagrams

![]() |
![]() LM78 |
![]() Other |
![]() |
![]() Data Sheet |
![]() Negotiable |
|
||||
![]() |
![]() LM7800 |
![]() Other |
![]() |
![]() Data Sheet |
![]() Negotiable |
|
||||
![]() |
![]() LM7800 - 220M |
![]() Other |
![]() |
![]() Data Sheet |
![]() Negotiable |
|
||||
![]() |
![]() LM7800 - SMD |
![]() Other |
![]() |
![]() Data Sheet |
![]() Negotiable |
|
||||
![]() |
![]() LM7800 series |
![]() Other |
![]() |
![]() Data Sheet |
![]() Negotiable |
|
||||
![]() |
![]() LM7800C |
![]() Other |
![]() |
![]() Data Sheet |
![]() Negotiable |
|
||||
(China (Mainland))








